
Бренд:
TMAXПредмет Номер:
TMAX-MSK-AFA-HC100Оплата:
T/T , Western Union, LC, Credit Card, PaypalПроисхождение Продукта:
КитайСертификат :
CE ROHS CnterificaВремя доставки заказа:
В наличии, отправка в течение неделиМашина для нанесения плоского покрытия с нагревом до 120°C и вакуумным насосом.
Машина для нанесения покрытий на листы MSK-AFA-HC100 имеет максимальный размер покрытия 90 x 190 мм. Опорная плита нагревается до максимальной температуры 120℃. Ее можно использовать в передаточной камере внутри перчаточного бокса. Предусмотрен внешний вакуумный насос. Точность толщины покрытия составляет ±3 мкм. Дополнительные принадлежности включают в себя скребок для нанесения покрытия шириной 80 мм, проволочный стержень, четырехсторонний пленочный аппарат и экструзионно-скребковый и компаундный пленочный аппарат.

2. Покрытие опорной плиты обладает высокой точностью и износостойкостью.
3. Покрытая опорная плита имеет функцию вакуумного всасывания и оснащена стандартным вакуумным насосом.
4. Покрытая опорная плита имеет функцию нагрева, и температуру можно регулировать.
5. Можно выбрать несколько машин для нанесения покрытий.
6. Его можно использовать в бардачке.
7. Соответствует стандартам сертификации UL.
Обзор процесса
Описание процесса: После попадания покрытия на кромку лезвия оно периодически растекается через зазор между кромкой лезвия и подложкой, образуя целевое покрытие. Толщина покрытия контролируется зазором между лезвием и подложкой. Точность нанесения покрытия зависит от различных факторов, таких как точность зазора между лезвием и подложкой, прямолинейность кромки лезвия, плоскостность пластины для нанесения покрытия и свойства покрытия.
Технические характеристики
Источник питания | Однофазный переменный ток 110-220 В ± 10%, частота 50 Гц/60 Гц, мощность 280 Вт. |
Тип покрытия | Цельное скребковое покрытие |
Применимая среда | Обычная среда, перчаточный бокс (азот, аргон) |
Ассортимент покрытий | Максимальные размеры покрытия: длина 190 x ширина 90 мм (допустимый диапазон размеров покрытия, фактический размер покрытия зависит от параметров инструмента для нанесения покрытия ). |
Скорость нанесения покрытия | 10–48 мм/с, регулировка вручную |
Температура нагрева | от комнатной температуры до 120℃ |
Инструмент для нанесения покрытия | Модель: Скребок KTQ-80F (опционально) Точность режущей кромки: прямолинейность ≤ 4 мкм Высота режущей кромки: 0–3 мм, регулируется вручную. Точность регулировки: 5 мкм |
Размеры покрытия | Макс. длина 190 x ширина 80 мм (зависит от фактической площади покрытия) |
Толщина покрытия | Точность: ±3 мкм Справочные данные: скорость нанесения графитового анода, вязкость 2000 мПа·с, содержание твердых веществ 45%. |
Размер оборудования | Машина для нанесения покрытия : приблизительно Д400 x Ш250 x В190 мм (включая уплотнительную крышку). Внешний вакуумный насос: приблизительные размеры Д150 x Ш85 x В190 мм (без учета авиационного разъема и соединителя воздушной трубки). Инструмент для нанесения покрытия : приблизительно Д110 x Ш35 x В55 мм. |
Масса | Машина для нанесения покрытия : приблизительно 19,5 кг (включая герметичный кожух). Внешний вакуумный насос: приблизительно 1 кг (без авиационного разъема и соединителя воздушной трубки). Инструмент для нанесения покрытия : приблизительно 0,35 кг |
Элемент | Требования | Подразделение, предоставляющее услуги | Примечания |
Источник питания | Однофазный переменный ток 110-220 В ± 10%, частота 50 Гц/60 Гц, мощность 280 Вт. | Клиент | / |
Способ подключения | Трехконтактная розетка на 10 А | Клиент | / |
Заземление | Заземляющий провод с сопротивлением менее 4 Ом | Клиент | / |
Температура окружающей среды | 25±5℃ | Клиент | / |
Влажность окружающей среды | Относительная влажность 30–90% или ниже | Клиент | / |
Чистота | 1 000 000 уровней | Клиент | / |
Вибрация и удар | В окрестностях нет очевидных источников вибрации. | Клиент | / |
Требования к взрывозащите | В окрестностях нет источников взрывов. | Клиент | / |
Выбросы газа | / | Клиент | / |
инструменты для регулировки станка | Пожалуйста, заранее подготовьте необходимое оборудование и инструменты для проверки и настройки оборудования. | Клиент | Форма оценки эталонного продукта |
Базовая нагрузка: Просим покупателя внимательно оценить, соответствует ли изделие стандарту, исходя из его веса и следующих данных.

Требования к материалам
1. Требования к субстрату
Проект | Параметры | Примечание |
Основной материал | Медная фольга, алюминиевая фольга | |
Длина базового материала | 190 ~230 мм | |
Ширина базового материала | 90 ~130 мм | |
Толщина основного материала | 8 ~30 мкм |
Примечание:
1. Приведенные выше параметры являются общепринятыми параметрами для литий-ионных батарей.
Проект | Жидкий навоз | Примечание |
Основная материальная система | Оксид кобальта лития, фосфат железа лития, оксид марганца лития, тройной графит, кремниевый отрицательный электрод | |
Вязкость | 1500 ~8000 мПа·с | |
Качественное содержание | 55%±20% |
Примечание:
1. Другие параметры суспензии должны определяться исходя из фактического эффекта нанесения покрытия.
НЕТ. | Имя | Содержание | Количество | Примечание |
1 | Корпус оборудования | Машина для нанесения покрытий, вакуумный насос | 1 шт. | |
2 | Инструмент для нанесения покрытия | КТК-80Ф | 1 шт. | Дополнительные аксессуары |
3 | Принадлежности и инструменты | Подробную информацию см. в списке запасных частей. | 1 шт. | |
4 | Документы на доставку | Инструкция по эксплуатации, комплектация. | 1 шт. |
НЕТ. | Элемент | Технические характеристики устройства | Примечание |
1 | Опорная пластина | Углеродистая сталь, хромированная поверхность. | |
2 | Подставка для ног | 4 штуки | |
3 | Плита для покрытия | Алюминиевый сплав, поверхность с вакуумными отверстиями для отвода воздуха. | |
4 | Водить машину | Бесщеточный двигатель, скорость регулируется ручным регулятором. | |
5 | Руководство | Хромированный направляющий стержень + линейный подшипник | |
6 | Толкатель покрытия | Нержавеющая сталь, съемный | |
7 | Регулировка температуры | Нагрев полиимидной пленки + регулятор температуры + термопара, замкнутый контур управления | |
8 | Внешняя рама | Порошковая покраска холоднокатаных листов | |
9 | Верхняя крышка | Порошковая покраска холоднокатаных листов, защелка + ручка. | |
10 | Вакуумный насос | Внешняя алюминиевая экструзионная крышка | |
11 | Панель управления | Кнопки + регуляторы для управления | |
12 | Электронный блок управления | Внутренний , интегрированный дизайн |
2. Инструмент для нанесения покрытия
НЕТ. | Элемент | Технические характеристики устройства | Примечание |
Скребковый инструмент KTQ-80F | Дополнительные аксессуары | ||
1 | Материал | Нержавеющая сталь | |
2 | Скребковый нож | Плоский скребок | |
3 | Метод корректировки | Дифференциал, регулируемый вручную. | |
3. Запасные части и инструменты
НЕТ. | Элемент | Спецификация | Количество | Примечание |
1 | Шестигранный торцевой ключ | M2.5 , M3 , M4 , M5 | 1 комплект | Инструмент |
2 | щуп | / | 1 штука | Инструмент |
3 | Наждачная бумага | 2000# | 1 лист бумаги | Инструмент |
4 | Контейнер для шлама | / | 1 единица | Инструмент |
НЕТ. | Элемент | Количество | Примечание |
1 | Руководство по эксплуатации оборудования | 1 комплект | |
2 | Товарная накладная | 1 комплект | |
3 | Гарантийный сертификат на продукцию | 1 комплект (сертификат соответствия, гарантийный талон) |
Условия нанесения покрытия | ||
Базовый материал | Алюминиевая фольга / Алюминиевая фольга | |
Тип покрытия | Непрерывное покрытие | |
| Тип суспензии
| Графитовый анод на водной основе | |
Вязкость суспензии | 4000–6000 мПа·с | |
Содержание твердых веществ в суспензии | 55%±20% | |
| Толщина покрытия
| Односторонняя 90 мкм | |
Размер покрытия | ||
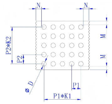
Проект | Отметка | Стандарт |
Л0 | 230 мм (размер подложки) | |
В0 | 130 мм (размер подложки) | |
Л | ≤190 (эталонное значение, зависящее от количества пасты) | |
В | ≤90 (эталонное значение, зависящее от количества пасты) | |
А | (относится к исходному количеству покрытия) | |
Б | (относится к исходному количеству покрытия) | |
E (толщина кромки) | (относится к исходному количеству покрытия) | |
|
F (площадь ребра) |
(относится к исходному количеству покрытия) |
Критерии приемки покрытия | ||
| Равномерная толщина зоны | ≤±3 мкм |
M (расстояние от края) | (относится к исходному количеству покрытия) | |
N (расстояние от головы до хвоста) | (относится к исходному количеству покрытия) | |
Метод измерения В однородной области разместите 5 горизонтальных и 5 вертикальных точек. Для измерения используйте микрометр, точность результата измерения должна составлять ±3 мкм. Инструменты измерения: микрометр (микрометр Sanfeng, точность 1 мкм, предоставляется заказчиком). | ||
1. Суспензия должна оставаться стабильной. Ее следует оставить в герметичном стеклянном контейнере в среде, предназначенной для нанесения покрытия, на 8 часов без каких-либо изменений, таких как осаждение, расслоение, агломерация или слеживание. 2. Покупатель гарантирует, что вязкость, тонкость помола и свойства суспензии соответствуют требованиям к покрытию. | ||



